-
45V高耐压广州单节锂电池充电芯片 500mA充电电流 XR4054HP
发布时间:2025-12-2945V高耐压单节锂电池充电芯片 500mA充电电流 XR4054HP概述 XR4054HP是一款输入耐压达到45V并且具有过充保护(OVP)功能的单节锂离子电池恒流/恒压 线性充电芯片,简单的外部应用电路非常适合便 携式设备应用,适合USB...
查看详情 -
5V2A广州单节锂电池充电芯片有那些?XR4420怎么样?
发布时间:2024-02-145V2A单节锂电池充电芯片有那些?XR4420怎么样?特性:1.5MHz 固定开关频率高达 95%以上的输出效率最大 2.5A 输出电流无需防反灌电流二极管无需外置功率 MOS 管或续流二极管充电状态双输出、无电池和故障状态显示精度达到±1...
查看详情 -
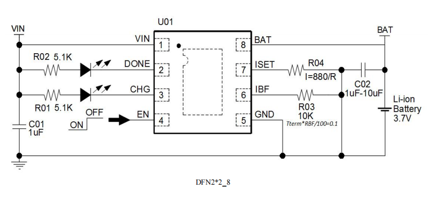
广州BC91801高耐压单节锂电池充电芯片兼容SGM40561, SY8602
发布时间:2024-01-16BC91801高耐压单节锂电池充电芯片兼容SGM40561, SY8602GENERAL DESCRIPTIONTheBC91801isacompleteconstant-current/constant-voltage linear ch...
查看详情



服务热线
公司地址:
公司邮箱: