-
12V 广州直流电机驱动芯片 BDR6122F
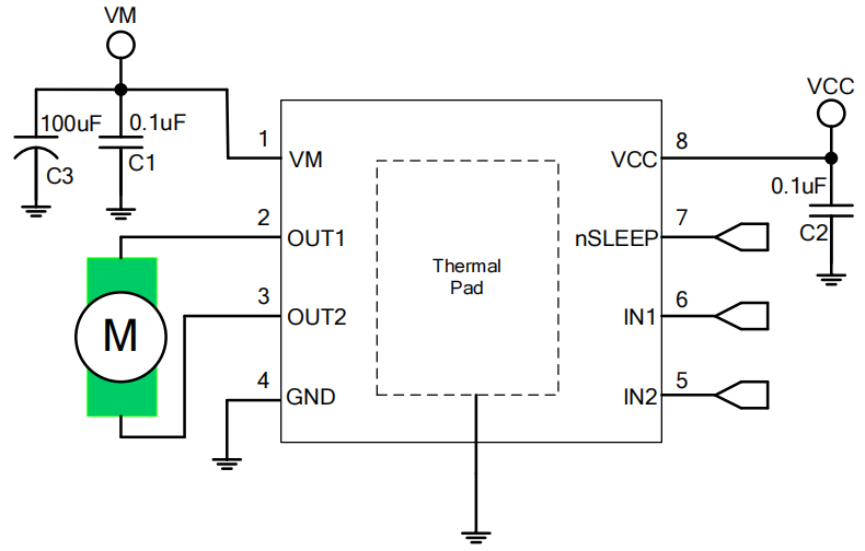
发布时间:2024-06-0612V 直流电机驱动芯片 BDR6122F产品概述 BDR6122F 是一款直流电机驱动芯片,适用于智能锁、智能仪表、阀门等领域。 BDR6122F 输出直流电流达到 1.9A。有两组工作电压:VM 工作范围是 0~12V,VCC 工作范围...
查看详情 -
12V广州直流电机驱动芯片 BDR6122F
发布时间:2024-04-2912V直流电机驱动芯片 BDR6122F产品概述 BDR6122F 是一款直流电机驱动芯片,适用于智能锁、智能仪表、阀门等领域。 BDR6122F 输出直流电流达到 1.9A。有两组工作电压:VM 工作范围是 0~12V,VCC 工作范围是...
查看详情 -
双通道广州有刷直流电机驱动芯片TC1508A
发布时间:2024-04-14双通道有刷直流电机驱动芯片TC1508A概述 该产品应用于各种具有马达正反转驱动的产品比如遥控玩具车仔、电动牙刷等。电路内部集成了采用 N 沟道和 P 沟道功率 MOSFET 设计的 H 桥驱动电路,适合于驱动有刷直流马达或者驱动步进马达的...
查看详情 -
3.5A 25V广州直流有刷电机驱动芯片SA8345
发布时间:2024-03-143.5A 25V直流有刷电机驱动芯片SA8345Description The SA8345 is one channel H-Bridgedriver IC, it provides integratedmotor-driver so...
查看详情 -
直流有刷电机驱动芯片SA8351,H桥及广州LDO驱动芯片
发布时间:2024-03-12直流有刷电机驱动芯片SA8351,H桥及LDO驱动芯片描述 SA8351是针对于12V, 24V电源供电系统或者多节锂电池的运动控制类应用提供了一个集成的电机驱动器解决方案。此器件能够驱动一个直流有刷电机,由一个内部电荷泵生成所需的栅极驱动...
查看详情 -
25V高压直流广州电机驱动芯片有那些?SA8345驱动芯片怎么样
发布时间:2024-02-2925V高压直流电机驱动芯片有那些?SA8345驱动芯片怎么样Description The SA8345 is one channel H-Bridgedriver IC, it provides integratedmotor-dri...
查看详情



服务热线
公司地址:
公司邮箱: