-
BC912双节锂电池广州充电芯片注意事项有那些
发布时间:2024-06-03BC912双节锂电池充电芯片注意事项:*输入电压达到 12V 时,需加缓冲电路 *输入电容 C2 推荐使用使用高频低阻电解电容 *C1,C2 单点过电容,且尽量靠近芯片;参考 PCB Layout 注意事项 *C4,R3:吸收回路,整改 E...
查看详情 -
BC911广州充电芯片注意事项
发布时间:2024-05-31BC911充电芯片注意事项?输入电压达到 12V 时,需加缓冲电路;?输入电容 C2 推荐使用使用高频低阻电解电容;?C1,C2 单点过电容,且尽量靠近芯片;参考 PCB Layout 注意事项;?C4,R3:吸收回路,整改 EMC 可适当...
查看详情 -
1.2A 充电 1.0A 放电高集成度广州移动电源 SOC IP5303
发布时间:2024-05-131.2A 充电 1.0A 放电高集成度移动电源 SOC IP53031 特性 * 同步开关充放电 1.0A 同步升压转换,1.2A 同步开关充电 升压效率最高达 91% 充电效率最高达 93% 内置电源路径管理,支持边充边放 * 充...
查看详情 -
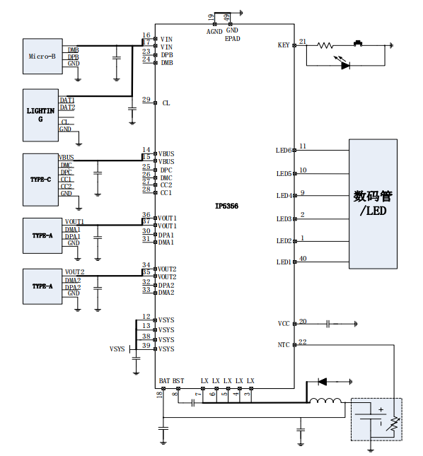
IP5356支持高低压SCP、双向PD3.0等全部快充协议的广州移动电源SOC
发布时间:2024-05-10IP5356支持高低压SCP、双向PD3.0等全部快充协议的移动电源SOC特性 * 同时支持多个 USB 口 2 个 USB A 口输出 1 个 USB B 口输入 1 个 USB C 口输入/输出 1 个 lightning 输入口* ...
查看详情 -
IP5306 2.1A 充电 2.4 A 放电高集成度广州移动电源 SOC
发布时间:2024-05-07IP5306 2.1A 充电 2.4 A 放电高集成度移动电源 SOC1 特性 同步开关充放电 2.4A 同步升压转换,2.1A 同步开关充电 升压效率高达 92% 充电效率高达 91% 内置电源路径管理,支持边充边放 充电 自适应充电电流...
查看详情 -
IP9315 1.5A 充电 1.5 A(max)放电高集成度广州移动电源 SOC
发布时间:2024-05-05IP9315 1.5A 充电 1.5 A(max)放电高集成度移动电源 SOC1 特性 同步开关充放电 1.5A 同步升压转换,1.5A 同步开关充电 升压效率最高达 91% 充电效率最高达 93% 内置电源路径管理,支持边充边放 充电 自...
查看详情



服务热线
公司地址:
公司邮箱: